Eplan Harness proD

Cabling in 3D

Efficiently design and document your cabling on 3D mechanical models with Eplan Harness proD

Eplan Harness proD: Wire harness design in 2D and 3D

Use Eplan Harness proD to efficiently design and document your cabling on 3D mechanical models – the software allows you to combine your mechanical and electrotechnical designs. Optimise and digitalize typical cabling workflows, including documentation for preconfigured cable assembly. 

With Eplan Harness proD, you can enhance the digital twin with the relevant electrical engineering information early in the engineering process. This means the cabling and wire harness designs don’t depend on the availability of a mechanical prototype. The software is open to MCAD systems and can be seamlessly integrated into existing system landscapes.

Your added value for wire harness design

Physical prototype obsolete

With our tool, the design process can start much earlier compared to the process with a prototype.

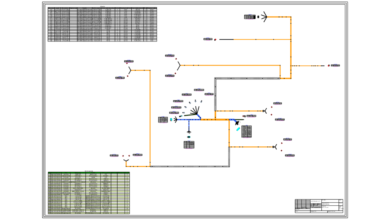
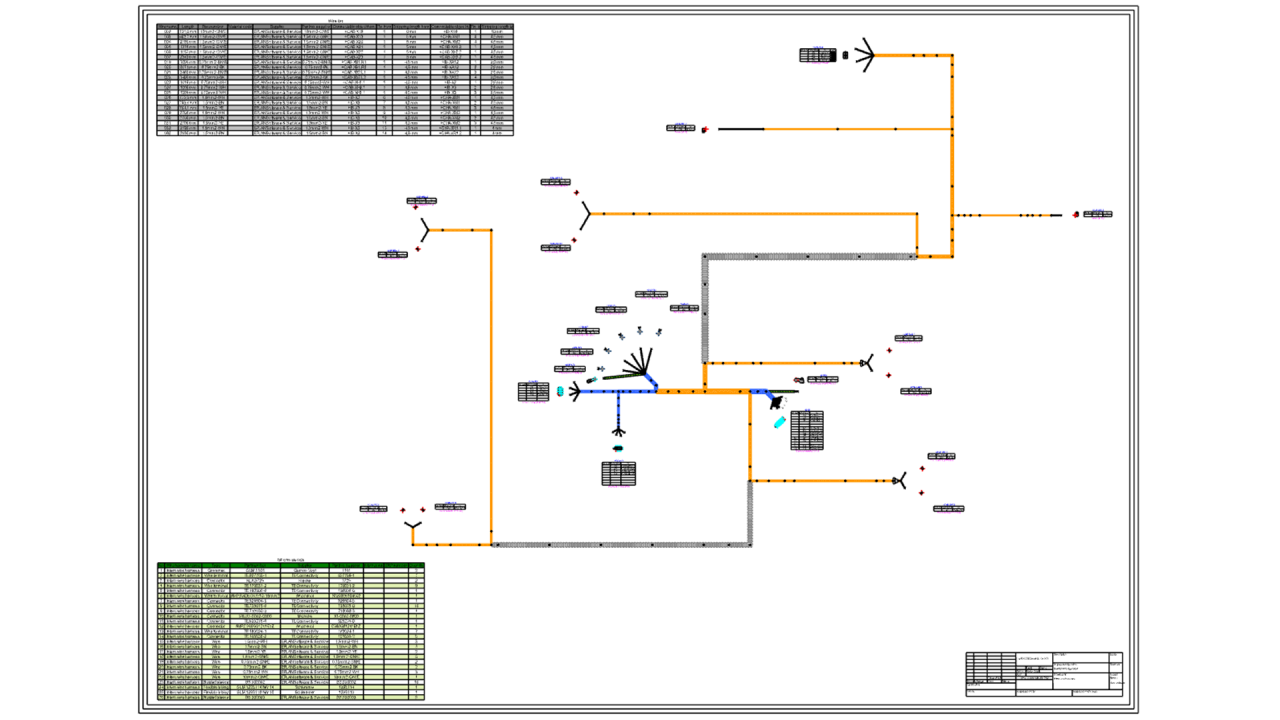
Wire harness designing in 3D

Simply powerful

The easy placement of components and powerful routing functions ensure quick results.

Simplified production of wire harnesses

An automated process converts the 3D design into a flat production drawing.
High-quality documentation for the production of wire harnesses

Eplan Application Programming Interface

Eplan API offers you an efficient possibility to implement your own required functionalities or automatic functions. 

That's how our customers benefit from working with Eplan

“The digital twin serves as a data basis that we can use to derive manufacturing steps such as wiring, cable processing and enclosure assembly.”

"The intuitive 3D environment of the Harness proD tool in particular makes it much easier for us to design the wiring for vehicles and machines.”

Suncar story

"Eplan Harness proD makes work more enjoyable in a variety of ways. This way, technicians spend less time fixing errors and have more time to think about innovations and other improvements to the design and production process."

MTA story

“We’ve discovered that no other tool can be learned as quickly and is so intuitive to use as Harness proD, and the connection to Electric P8 offers so many advantages that we wouldn’t want to do without it.”

Voltabox story

“With Eplan Harness proD, we are now able to develop the wire harness digitally at the CAD workstation."

Moser Fahrzeugtechnik logo

Moser Fahrzeugtechnik story

“When I first saw Eplan Harness proD demonstrated I actually thought it was exactly what this business needed.”

aggreko logo

Licenses, runtimes, support and more

  • Run software on premises or through the Azure cloud
  • Flexible subscription licenses with runtimes from 12 to 36 months
  • Single-Licenses as well as Concurrent-Licenses available
  • Various options for software packages and expanding elements, tailored to your needs
  • Yearly software version updates, adding new features and workflow support
  • Broad technical support packages

Getting started with your Eplan software

Eplan is happy to support you in working efficiently with your new software right from the start. We provide you with digital self-services as well as full onboarding packages including templates, trainings and consultancy. 

  • Installation
  • Training
  • Data and templates
  • Engineering
eplan-onboarding-services

Our industry solutions

Find out how Eplan tools can assist you in your industry. 

Eplan Platform

Solution for all electrical engineering tasks

The Eplan Platform combines powerful software for a wide variety of tasks, providing the basis for an integrated engineering environment. Each year, we release a new version for you, including new features and functions for many products. 

Engineering software for automation technology and power systems
We are happy to help!

Would you like to request a demo to learn more about how Eplan can enhance your engineering? Contact us today!