Eplan Harness proD

Effiziente Kabelbaumkonstruktion

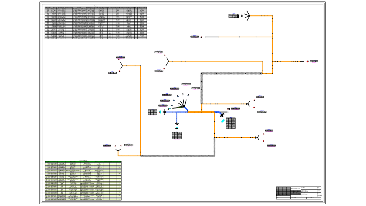
Mit Eplan Harness proD definieren Sie relevante Fertigungsinformationen im Engineering-Prozess am 3D-Modell der Mechanik

Eplan Harness proD: Kabelbaumplanung und -dokumentation

Nutzen Sie Eplan Harness proD, um Ihren Kabelbaum zu planen und zu dokumentieren. Verbinden Sie Elektrotechnik und Mechanik. Optimieren und digitalisieren Sie typische Abläufe der Kabelbaumkonstruktion und automatisieren Sie die Dokumentationen für die Fertigung.

Mit Eplan Harness proD definieren Sie relevante Fertigungsinformationen im Engineering-Prozess am 3D-Modell der Mechanik. Dadurch wird ein Musterkabelbaum überflüssig. Die Übertragung ist dabei aus allen gängigen MCAD-Systemen möglich. Eplan Harness proD kann nahtlos in bestehende Systemlandschaften integriert werden.

Ihre Mehrwerte für die Kabelbaumkonstruktion

Physischer Prototyp obsolet

Mit unserem Tool beginnt der Konstruktionsprozess im Vergleich zum Verfahren mit einem Prototyp deutlich früher.

3D-Konstruktion von Kabelbäumen

Einfach stark

Die einfache Platzierung von Komponenten und leistungsstarke Routing-Funktionen sorgen für schnelle Ergebnisse.

Herstellung von Kabelbäumen vereinfacht

Ein automatisierter Prozess wandelt das 3D-Design in eine Fertigungszeichnung um.

Herstellung von Kabelbäumen vereinfacht

Eplan Application Programming Interface

Die Anwendungsprogrammierschnittstelle (Eplan API) bietet Ihnen eine effiziente Möglichkeit, Ihre eigenen erforderlichen oder auch automatisierte Funktionen zu implementieren.

So profitieren unsere Kunden von der Zusammenarbeit mit Eplan

„Der digitale Zwilling dient uns hier als Datenbasis zur Ableitung von Fertigungsschritten, wie Verdrahtung, Kabelkonfektionierung und Schaltschrankmontage.“

„Gerade die intuitive 3D-Umgebung des Harness proD Tools erleichtert uns die Planung der Verkabelung der Bagger ungemein.“

Suncar story

„Eplan Harness ProD macht die Arbeit in mehr als einer Hinsicht angenehmer. Auf diese Weise verbringen die Ingenieure weniger Zeit mit der Behebung von Fehlern und haben stattdessen mehr Zeit, um über Innovationen und andere Verbesserungen im Design- und Produktionsprozess nachzudenken.“

MTA story

„Wir haben festgestellt, dass kein anderes Tool so schnell zu erlernen und intuitiv zu bedienen ist wie Harness proD.“

Voltabox story

„Als ich Eplan Harness proD zum ersten Mal vorgeführt bekam, war das genau das, was dieses Unternehmen brauchte."

aggreko logo

aggreko story

„Mit Eplan Harness proD sind wir nun in der Lage, den Kabelbaum am CAD-Platz digital zu entwickeln.“

Moser Fahrzeugtechnik logo

Moser Fahrzeugtechnik story

Lizenzen, Laufzeiten, Support und mehr

  • Software lokal oder per Azure Cloud betreiben 
  • Flexible Abo-Lizenzen mit Laufzeiten von zwölf bis 36 Monaten 
  • Als Single oder Concurrent License verfügbar 
  • Verschiedene Optionen für Softwarepakete und Erweiterungsmodule, zugeschnitten auf Ihre Bedürfnisse 
  • Jährliche Versions-Updates mit neuen Funktionen und Workflow-Unterstützung 
  • Umfassender technischer Support

Erste Schritte mit Ihrer Eplan Software

Eplan unterstützt Sie gerne dabei, mit Ihrer neuen Software effizient zu arbeiten. Wir bieten Ihnen sowohl digitale Self-Services als auch komplette Onboarding-Pakete mit Vorlagen, Schulungen und Beratung.

  • Installation
  • Training
  • Daten und Vorlagen
  • Engineering
Onboarding: Erste Schritte mit Ihrer Eplan Software

Unsere Branchenlandschaft

Erfahren Sie, wie unsere Software in Ihrer Branche unterstützen kann.

Eplan Plattform

Eine Lösung für alle elektrotechnischen Aufgaben

Die Eplan Plattform vereint leistungsstarke Software für eine Vielzahl von Aufgaben und bildet die Basis für eine integrierte Engineering-Umgebung. Jedes Jahr bringen wir eine neue Version heraus, die zusätzliche Features und Funktionen für viele Produkte bereithält.

Eplan Platform: Engineering-Software für Automatisierungs- und Energietechnik
Wir sind gerne für Sie da!

Möchten Sie mehr darüber erfahren, wie Eplan Ihr Engineering verbessern kann? Kontaktieren Sie uns, wir beraten Sie gerne!