26.10.2023

TJ Morris Ltd

Wie Eplan große Effizienzsteigerungen für ein führendes Einzelhandelsunternehmen erzielte

tj-morris lagerhaus

TJ Morris automatisiert alle Lagereinrichtungen und optimiert die Prozesse

TJ Morris Ltd ist die Muttergesellschaft von Home Bargains, einem britischen Discounter mit mehr als 500 Filialen. Nach einem starken Umsatzanstieg während der Pandemie, erweitert das Unternehmen aktuell seinen Bestand, eröffnet neue Läden und verbessert den Umsatz in den bestehenden Filialen. Zur Erleichterung des weiteren Wachstums automatisiert es seine gesamte Lagereinrichtung und optimiert seine Prozesse. So stellt das Unternehmen sicher, auch weiterhin jeden Tag Markenartikel zu günstigen Preisen in seine Geschäfte liefern zu können.

TJ Morris setzt bereits seit einigen Jahren Eplan Electric P8 ein. Jüngst investierte das Unternehmen in weitere Eplan Lösungen, um seine Expansion zu unterstützen. Dabei wurden schnell weiterführende Vorteile für das Unternehmen deutlich, darunter erhebliche Zeit- und Kosteneinsparungen.

Die Investitionen in eine Reihe von Eplan Software- und Serviceleistungen gaben TJ Morris die Möglichkeit, die Arbeitsmethoden seiner Zulieferer zu standardisieren, die Qualität der Elektrodokumentation zu verbessern und die Konstruktion ins eigene Haus zu holen. Dies gewährleistet eine bessere Projektabwicklung.

tj-morris-verpackung

Zusammenfassung des Projektes

Herausforderungen

  • Standardisierung. Die elektrotechnische Dokumentation der Zulieferer unterschied sich sowohl in Bezug auf die Qualität als auch auf das Datenformat. So wurde die Festlegung von Zuliefererrichtlinien notwendig. Auf diese Weise sollte eine einheitliche Lieferung und Zeitersparnis (z. B. bei der Fehlersuche) erreicht werden.

  • Zeitersparnis. Die manuelle Prüfung von Schaltplänen verschiedener Lieferanten gestaltete sich fehleranfällig und arbeitsintensiv.

  • Kosteneinsparungen. Die Senkung der Kosten und die Vermeidung von Ausfallzeiten sind für ein schlankes, schnelllebiges Einzelhandelsunternehmen von entscheidender Bedeutung.

  • Instandhaltung. Unstimmigkeiten in den von verschiedenen Lieferanten erstellten Schaltplänen führten zu Problemen bei der Wartung.

Lösungen

  • Eplan Pro Panel - generiert 3D-Modelle aus der elektrotechnischen Planung der Anlage und erzeugt so einen digitalen Zwilling als Grundlage für die Schaltschrankfertigung.

  • Das Eplan Data Portal bietet über 1 Million Artikel und 3 Millionen konfigurierbare Artikeldaten aus den Produktkatalogen hunderter Hersteller weltweit (Produktkataloge für mechanische, elektrotechnische, pneumatische und fluidtechnische Komponenten).

  • Standardisierung. Es werden klare Vorgaben an die Lieferanten und die Arbeitsabläufe innerhalb des Planungsprozesses definiert. So wird sichergestellt, dass die unternehmensweiten Grundsätze und Arbeitspraktiken mit denen ihrer Zulieferer abgestimmt sind.

  • Ausbildung. Das Team nimmt an zahlreichen Schulungen teil. Der Leiter der Abteilung Engineering & Facilities hat über die Universität Köln die Qualifikation zum Eplan Certified Engineer erworben.

  • Unterstützung. Der Eplan Support unterstützt Software-Nutzer und bietet Zugriff auf jährliche Updates, einschließlich der neuesten Software-Versionen.

tj-morris lagerhaus

Eplan Einführung: Ein schrittweiser Prozess

Mit mehr als 500 Filialen ist Home Bargain, ein Unternehmen von TJ Morris, ein schlankes, rasch wachsendes Einzelhandelsunternehmen mit schnellem Lagerumschlag. Ein Umfeld, in dem Zeit definitiv Geld ist. Sein Wertversprechen - Top-Marken zu Tiefstpreisen liefern - trug dazu bei, dass der Umsatz bis 2020 um 13 % auf 2,8 Mrd. £ anstieg. Ein Wert, den das Unternehmen seit seiner Eröffnung 1976 nicht mehr erreicht hat. "Es ist das beste und geschäftigste Jahr, das wir je erlebt haben", sagt Matthew Mercer, Head of Engineering & Facilities. 

Um weiteres Wachstum zu ermöglichen, hat das Unternehmen alle seine Lagereinrichtungen automatisiert. Bis zu diesem Zeitpunkt hatten sich die Ingenieure von TJ Morris bei der Elektrokonstruktion stets auf externe Subunternehmer und Projektmanager verlassen. Dieser Prozess des Outsourcings war teuer und uneinheitlich, da sich die Ingenieure mit Schaltplänen unterschiedlicher Qualität von einzelnen Lieferanten konfrontiert sahen. Diese waren fehleranfällig, was zu Problemen bei der Implementierung und später bei der laufenden Wartung führte. 

Das Unternehmen war bereits Eplan Kunde. Die Entscheidung, weitere Eplan Software- und Servicelösungen zu erwerben, wurde durch klare Notwendigkeiten motiviert:
 

  • Standardisierung der Arbeitspraktiken in der gesamten Zuliefererbasis
  • Eine größere Zeit- und Kostenersparnis für das Unternehmen erzielen
     

In einem von Rob Garfoot, regionaler Vertriebsleiter bei Eplan, als „phasenweise und sehr gut geplantes Programm" bezeichneten Prozess, führte das Unternehmen eine umfassende Standardisierung durch. Dabei rollte es die Software Eplan Pro Panel und Eplan Fluid aus und schulte anschließend seine Mitarbeiter.

Die Investition in eine Reihe von Eplan Lösungen hat nicht nur die Arbeitsabläufe mit den Zulieferern verbessert, sondern auch dazu geführt, dass die Ingenieure von TJ Morris jetzt ihre eigenen elektrotechnischen Konstruktionszeichnungen erstellen können. So können sie die Schaltpläne auch später leicht aktualisieren, wenn Änderungen an den Maschinen vorgenommen werden sollen.

Vorteile der Eplan Standardisierung

Ziel der Eplan Standardisierung ist es, den Workflow innerhalb eines Konstruktionsprozesses zu definieren und unternehmensweite Grundsätze für eine effiziente Projektdurchführung zu klären. Die Standardisierung ermöglicht Eplan Kunden eine effektivere Zusammenarbeit mit ihren Zulieferern oder Endkunden. Dafür werden Ressourcen, Dokumentationslayouts und Arbeitsmethoden aufeinander abgestimmt. Das Ergebnis ist eine höhere Produktivität, eine bessere Entwurfsqualität und eine konsistente Dokumentation. 

TJ Morris hat schnell damit begonnen, die Früchte ihrer Arbeit zu ernten: Zulieferer sind nun verpflichtet, Schaltpläne nach den gemeinsam mit Eplan definierten Standards vorzulegen. Das bedeutet, dass alle Pläne auf Basis derselben Grundlagen gestaltet werden, was die Abnahme der Elektrokonstruktion schneller und einfacher macht. Mit Eplan können auch alle erforderlichen Informationen für den Einkauf und die Produktion generiert und übertragen werden. Ebenso können weiterführende Dokumentationen, einschließlich Stücklisten und Kabeltabellen, automatisch abgeleitet werden. 

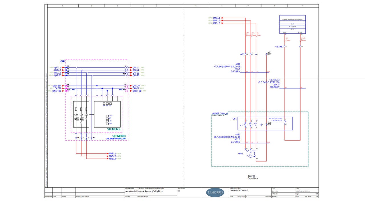
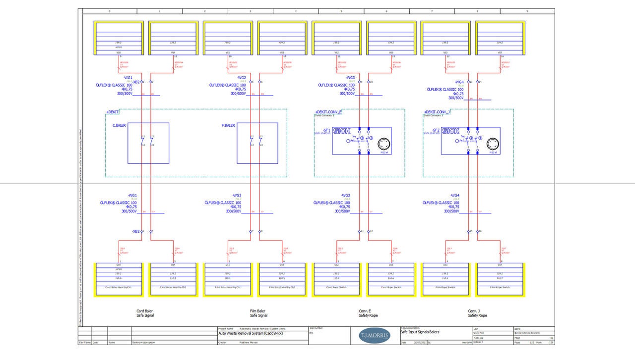
tj-morris-elektro-schaltplan

Schnellerer Schaltschrankbau

Die Einführung von Eplan Pro Panel bedeutet, dass die Ingenieure von TJ Morris jetzt ihre Schaltschränke in einer 3D-Umgebung entwerfen. Das trägt dazu bei, die Projektierungszeit zu verkürzen. Als Teil des Prozesses führt Eplan Pro Panel virtuelle Projektprüfläufe durch. So werden Probleme, wie z. B. falsche Anschlüsse, leicht erkannt und behoben, noch bevor die Pläne abgezeichnet werden.

Mit der Einrichtung einer internen Konstruktionsabteilung entfällt die Notwendigkeit, Schaltpläne auszudrucken und Kommentare innerhalb eines langwierigen Genehmigungsverfahrens an die Zulieferer zurückzuschicken. Dieser Vorgang machte früher die Beauftragung externer Berater erforderlich. Nun können die Ingenieure von TJ Morris den Prozess selbst überwachen. Alles in allem hat Eplan Pro Panel dem Unternehmen geholfen, eigene Fähigkeiten weiterzuentwickeln und durch die Reduzierung von Projektmanagementkosten erhebliche Einsparungen zu erzielen.

Eplan Data Portal & Rittal RiPanel

TJ Morris verwendet in der Regel den Rittal VX25 als Schaltschrank der Wahl. Nicht zuletzt, weil Rittal tausende Artikeldaten im Eplan Data Portal bereitstellt. Diese sind auch im Rittal RiPanel Konfigurator verfügbar, der für die Konfiguration von Schaltschranksystemen und Zubehör direkt aus Eplan heraus verlinkt ist.

"Makros sind bereits in Eplan enthalten. Viele Lieferanten- und Artikelinformationen sind im Data Portal enthalten, was dem Team Zeit spart", sagt Matthew Mercer. "Wir müssen die Artikeldatenbank nicht selbst erstellen. Die Bestellung ist ein Prozess, bei dem wir einfach die Stückliste exportieren. Wir nehmen die Schaltschrankspezifikationen aus RiPanel und vervollständigen damit den Schaltschrankentwurf in Eplan. Das macht es wirklich einfach. Sobald ein Schaltschrank konstruiert wurde, exportieren wir die Schaltschrankspezifikation und senden sie zur Preisgestaltung direkt an Rittal. Alles in allem haben wir mit Eplan sehr viel Zeit gespart.“

tj-morris-elektro-schaltplan

Die wichtigsten Vorteile von Eplan

Die Investition in Eplan Lösungen bedeutet, dass die Ingenieure von TJ Morris nun über eine solide Grundlage für künftige Erweiterungen verfügen. Und da sich die Anzahl der Lagerhäuser bis 2025 verdoppeln soll, hat sich der Fokus nun auf die Erweiterung des Plattenbauprogramms verlagert.

Matthew Mercer erläutert: "Als wir Eplan zum ersten Mal einsetzten, war es für kleine Änderungen an Geräten gedacht. Seitdem wir die Schulung absolviert und weitere Lösungen implementiert haben, sehen wir, was für ein leistungsfähiges Werkzeug die Software tatsächlich ist. In einem automatisierten Lager kann jede Ausfallzeit das Geschäft ernsthaft beeinträchtigen, zumal jede unserer britischen Filialen täglich beliefert werden muss. In einer so schnelllebigen Umgebung benötigen wir optimale Arbeitsabläufe. Durch den Einsatz von Eplan reduzieren wir die Zeit für die Fehlersuche, was sich wiederum positiv auf die Geschäftskontinuität und die Betriebskosten auswirkt. Die Eplan Schulungen sind gut aufgebaut. Ich war sehr beeindruckt von der Schnelligkeit und Qualität der Reaktion des Eplan Supports während des Umstellungsprozesses.“ 

Rob Garfoot, regionaler Vertriebsleiter bei Eplan, fasst zusammen: "Das zeigt, wie viel man erreichen kann, wenn man mit dem richtigen Unternehmen zusammenarbeitet und motiviert ist, sich zu verändern."