BIM und Elektrotechnik: Die Verbindung zählt

Moderne Gebäude

Die Gebäudetechnik ist im Wandel. Digitalisierung und BIM-Methode stellen Arbeitsweisen auf den Prüfstand. Was braucht es heute, um Gebäudeautomation, Schaltpläne und Schaltschränke effizient zu planen?

Erfolgreiches Engineering braucht Kollaboration. Building Information Modeling (BIM) ist eine Möglichkeit, den aktuellen Herausforderungen im Bauwesen zu begegnen. Bei diesem integrierten modellbasierten Prozess steht das gewerkeübergreifende 3D-Gebäudemodell als Informationsquelle im Zentrum und wird mit Daten innerhalb des Projektverlaufs kontinuierlich angereichert. Eine Standardisierung von Datenstrukturen und Elementbeschreibungen ist die Basis, um eine möglichst enge Integration in vorhandene IT-Infrastrukturen und Prozesse zu schaffen. Nur so können alle am Projekt Beteiligten gemeinsam von der Anwendung der BIM-Methode profitieren. Eplan bietet das Know-how und entsprechende Lösungen – werden doch die Vorteile der durchgängigen Eplan Plattform, die in der industriellen Automation zum Einsatz kommt, bereits von zahlreichen Kunden aus dem Bereich der Gebäudetechnik genutzt.

Rolf Schulte im Interview
“Die BIM-Methode verteuert nicht die Planung. Sie macht diese effizienter und damit kostengünstiger, wenn sie gut eingeführt und richtig angewendet wird“, erklärt Rolf Schulte, Vertical Market Manager Building Technologies bei Eplan.

BIM vereint Disziplinen und integriert die Elektrotechnik

Wo liegt der größte Mehrwert bei der Anwendung der BIM-Methode im Bereich Gebäudetechnik? Kollisionsprüfungen zwischen architekturspezifischen, tragenden und den technischen TGA-Elementen (steht für Technische Gebäude Ausrüstung) helfen dabei, unliebsame Überraschungen auf der Baustelle zu vermeiden. Dabei werden Informationen zu Komponenten der Gebäudetechnik wie auch aus anderen Disziplinen in Abhängigkeit der Leistungsphasen eingepflegt. So lässt sich zu jedem Zeitpunkt des Projektlebenszyklus ein genauer Status quo ermitteln. Stellt sich die Frage, welche Informationen das BIM-Modell in Bezug auf die Elektrotechnik beinhaltet? Die Antwort ist einfach: Zum einen die klassische Installationstechnik – das heißt Schalter, Steckdosen, Leuchten, Kabeltrassen, usw. In diesem Zusammenhang lassen sich dann auch Verlegewege und Aussparungen modellieren. Zum anderen werden Informationen für die Gebäudeautomatisierung mit eingebracht. Alles kann anschließend ganzheitlich ausgewertet, analysiert und weiteren Softwareprogrammen zugänglich gemacht werden.

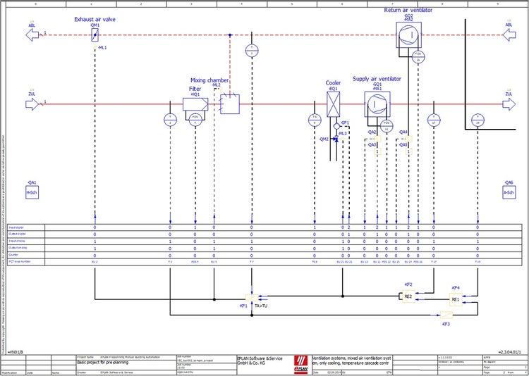
Regelschema Regelschema: Lüftungsanlagen, Mischluft-Lüftungsanlage, nur Kühlen, Temperatur-Kaskadenregelung

HOAI-konforme Parameter im BIM-Modell hinzufügen

Es gibt bei der BIM-Methode vielfach eine Skepsis, dass zu viele Parameter in einer viel zu frühen Leistungsphase eingegeben werden müssen. Zwar ist diese Skepsis nicht ganz unbegründet – jedoch kommt es auf den Prozess an, wie der Planer mit der Anreicherung der Informationen in einem BIM-Modell umgeht. Schaut man auf den Prozess der TGA-Fachplaner, so sind standardmäßig innerhalb der diversen BIM-Autorenlösungen zahlreiche Funktionen und herstellerneutrale Komponenten für die Gewerke Heizung, Lüftung, Klima, Sanitär und Elektro vorhanden. Diese Komponenten kommen in einer frühen Planungsphase zum Einsatz. Wenn das Projekt fortschreitet, werden zusätzliche Informationen einzeln oder über eine Massenänderung in Abhängigkeit zur Leistungsphase den Bauteilen hinzugefügt. Einige BIM-Autorenlösungen bieten Tools bzw. Apps, um mittels einer hinterlegten Datenbank die Parameter in den Projekten intuitiv und komfortabel zu administrieren. Somit können die Informationen über Parameter dann HOAI-konform dem BIM-Modell hinzugeführt werden. Die Informationen werden also exakt dann angereichert, wenn sie in der Leistungsphase und Detailierung erbracht werden sollen.

Kommunikation? Jetzt direkt mit dem 3D-Modell!

Die BIM-Methode fungiert als Enabler, um unterschiedliche Lösungen für individuelle Anforderungen bestmöglich zu verbinden. Schließlich gibt es in der Gebäudetechnik Grundrisspläne, Heizleistungsberechnung, ENEV, Schemapläne wie auch Schaltpläne für die Elektroinstallation. Wo fängt BIM an und wo hört BIM auf? Vorrangig wird BIM im Kontext eines 3D-Modells in Hochbau, Gebäudetechnik oder aus der Statik verwendet. Das 3D-Modell ist somit die Single Source of Truth. Das bedeutet jedoch nicht, dass auch alle Informationen im Modell generiert werden müssen. Beispielsweise liefert das BIM-Modell durch seine Struktur und Räume Informationen zur Berechnung der Heizlast. Die Berechnung führt der Planer jedoch nicht im Modell durch, sondern in einem dafür vorgesehenen Programm. Allerdings werden die berechneten Werte wieder ans Modell zurückgegeben. Das gleiche gilt für die Heizrohrberechnung, Volumenstrom und anderes. Jede Software hat ihren speziellen Einsatzbereich. Es gilt: Je besser diese mit dem 3D-Modell kommuniziert, umso besser ist die Effizienz im Workflow.

Datenabgleich mit der Eplan Plattform – und zurück ins BIM-Modell

Entsprechende Verbindungen sind wichtig und bereits vorhanden! Ein Praxisbeispiel: Das BIM-Modell enthält wertvolle Informationen über die Struktur der Liegenschaft samt Gebäude sowie beispielsweise über das gesamte zusammenhängende Heizungssystem - vom Kessel bis zum Heizkörper. Diese Informationen nutzt Eplan für die Abbildung der Struktur und für die Bereitstellung der Bauteile. Anschließend werden die Parameter mit dem BIM-Modell in Beziehung gestellt. Ändert sich etwas an der Struktur des Modells oder werden Bauteile im System ergänzt, werden diese durch einen Datenabgleich sichtbar. Der Planer kann dann entscheiden, wie sich diese Veränderungen innerhalb der Eplan Plattform auswirken sollen. Weiterhin können natürlich auch Daten, die in der Eplan Plattform angereichert wurden, wieder in das BIM-Modell zurückgeschrieben werden.

Zusammenspiel ist unverzichtbar

Für die Erstellung von Schemata in der Gebäudeautomation, der Schaltplanerstellung und dem Schaltschrankbau bringen wir unser Expertenwissen ein. Im Bereich des BIM-Modells sind es andere Experten und andere Systeme. Gemeinsam bündeln wir unsere Kompetenzen und bieten dadurch Planern im Bereich der Gebäudetechnik den bestmöglichen Nutzen für höchst effiziente Prozesse.