Eplan Plattform 2026: Vereinfachtes Portfolio, volle Power – darum lohnt sich der Wechsel
Eplan Plattform 2026: Vereinfachtes Portfolio, volle Power – darum lohnt sich der Wechsel1
Eplan Plattform 2026: Zubehörauswahl automatisieren – Arbeitsschritte absichern und vereinfachen3
Eplan Plattform 2026: Direkter Zugriff aufs Data Portal aus der Artikelverwaltung heraus4
Eplan Plattform 2026: Direkter Zugriff aufs Data Portal aus dem Einfügezentrum heraus5
Eplan Plattform 2026: Eigenschaften schneller finden – zusätzliche Werte definieren6
Eplan Plattform 2026: Abbildung der Artikelnummern in Verbindungsliste7
Eplan Plattform 2026: Zugriff auf 2D-Modelle der Bauteile aus Eplan Electric P87
Eplan Plattform 2026: Beliebige Ansichten beim Schaltschrankaufbau speichern und aufrufen8
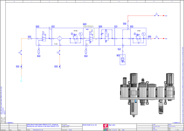
Eplan Plattform 2026: Fluidplanung und Cloud-Apps direkt in der Eplan Electric P8 und Co. integriert
Mit der Plattform 2026 rückt das Eplan Portfolio näher zusammen. So fließt die bisherige Lösung Eplan Fluid jetzt als Funktion „Fluid Power Engineering“ direkt in Eplan Electric P8 ein. Das heißt: Softwarenutzer können neben Elektroschaltplänen und Co. nun auch fluidtechnische Schaltpläne, Ablaufdiagramme, funktions- und artikelbezogene Auswertungen, Montageaufbauten in 2D und alles, was sonst für die Fluidplanung benötigt wird, innerhalb der Umgebung von Eplan Electric P8 erstellen. Nutzer von Eplan Preplanning können jetzt auch Single Lines mit ihrer Software erstellen. Ein weiteres Extra für die Anwender von Eplan Preplanning, Eplan Electric P8 und Eplan Pro Panel sind die Collaboration-Apps, die nun als Funktionen direkt in die Software eingebunden sind und je nach Ausbaustufe automatisch zum Leistungsumfang gehören. Dazu zählt der Projekt-Viewer, zuvor „eView“, mit dem Dokumentationen visualisiert und über den Browser abgerufen werden können. Die Artikelverwaltung, zuvor „eStock“, ermöglicht die Verwaltung von Gerätedaten an mehreren Standorten. Die Datenverwaltung, früher „eManage“, bietet eine cloudbasierte Umgebung für das sichere teamübergreifende Teilen von Daten. Zu guter Letzt bleibt das Data Portal die zentrale Datenbasis mit standardisierten Artikeldaten für alle Eplan Lösungen.
Eplan Electric P8 mit Fluiddiagramm.
Unser Tipp: Nutzen Sie unser News-Projekt zur Eplan Plattform 2026, um die neuen Features direkt auszuprobieren. Dieses Paket bietet umfassende Einblicke und anschauliche Beispiele, mit denen Sie die neuen Funktionen der aktuellen Eplan Version ausführlich erkunden können.
Zum News-Projekt*
*Voraussetzung: Eplan ID verbunden mit Ihrer Firmenorganisation
Eplan Plattform 2026: Zubehörauswahl automatisieren – Arbeitsschritte absichern und vereinfachen
Ein kurzer Exkurs in Sachen Zubehör vorab: Bei der Projektierung ist es nicht selten der Fall, dass für einen Artikel passendes Zubehör berücksichtigt werden muss bzw. der Artikel selbst nicht alleinstehend existieren kann. Prinzipiell unterscheidet man zwei Arten: Zubehör, dass verwendet werden kann und solches, das mit dem entsprechenden Artikel verwendet werden muss. Zum Beispiel lässt sich ein Relais nur zusammen mit der passenden Basis im Schaltschrank verbauen. Dementsprechend müssen bei der Projektierung Relais und Basis als Zubehör zusammen definiert werden.
In der Eplan Version 2026 wurde das Handling mit Zubehörartikeln verbessert und die Möglichkeit geschaffen, notwendiges Zubehör automatisiert mit den entsprechenden Artikeln im Schaltplan zu platzieren. Das reduziert Fehler und vereinfacht die Artikelauswahl bei der Projektierung, da erforderliches Zubehör nicht mehr vergessen wird oder separat platziert werden muss. Vielmehr können Bauteile und Zubehör in einem Arbeitsschritt im Schaltplan abgelegt und Anwender entlastet werden. Favorisiertes Zubehör lässt sich darüber hinaus individuell an Artikeln definieren und nach der Zuordnung automatisch berücksichtigen, wodurch Nutzer schneller und sicherer agieren können.
Zubehörauswahl
Eplan Plattform 2026: Direkter Zugriff aufs Data Portal aus der Artikelverwaltung heraus
Um die Arbeitsschritte bei der Schaltplanerstellung weiter zu verschlanken und Anwender zu entlasten, wurde in der Eplan Version 2026 das Data Portal direkt in die Artikelverwaltung von Eplan Electric P8 integriert. Hat der Konstrukteur bei der Projektierung keinen passenden Artikel in seiner Artikelverwaltung parat und benötigt einen anderen und damit Zugriff aufs Eplan Data Portal, kann er dieses nun direkt aus seiner Artikeldatenbank heraus starten. Gewünschte Artikel lassen sich dann wahlweise mit und ohne Zubehör in einem Arbeitsschritt direkt in Eplan Electric P8 laden. Bis dato musste das Data Portal noch separat gestartet, der passende Artikel gesucht und heruntergeladen werden, wodurch es zwangsweise zu einem Anwendungswechsel und einer Unterbrechung der eigentlichen Tätigkeit kam. Durch die Integration des Data Portals profitieren Anwender von einem viel einfacheren Artikelzugriff und gelangen schneller zu den gewünschten Ergebnissen. Auch Administratoren und Teamleiter profitieren von der Integration des Data Portals, da sie Artikel viel schneller pflegen und Mitarbeitern zur Verfügung stellen können.
Eplan Data Portal aus der Artikelverwaltung
Eplan Plattform 2026: Direkter Zugriff aufs Data Portal aus dem Einfügezentrum heraus
Das Einfügezentrum in Eplan Electric P8 ist die Quelle, aus der Konstrukteure ihre Artikel und Geräte im Schaltplan platzieren. Demzufolge muss an der Stelle auch eine flexible und einfache Gerätesuche ermöglicht werden. In der Eplan Version 2026 wurde das Einfügezentrum erweitert, so dass Anwender nun direkt auf das Eplan Data Portal zugreifen können. Hierzu wurde die Optionen Search in devices and Data Portal ergänzt. Wahlweise kann der Suchvorgang im Einfügezentrum auch losgelöst vom Data Portal und ausschließlich in der Artikeldatenbank durchgeführt werden.
Der Zugriff aufs Eplan Data Portal ist in der neuen Version generell einfacher gelöst und an den Stellen verfügbar, wo Anwender ihn für ihre tägliche Arbeit benötigen – im Einfügezentrum und in der Artikelverwaltung. So kann der Umgang mit unterschiedlichen Anwendungen erleichtert und zusätzliche Schritte bei der Artikelauswahl vermieden werden.
Eplan Plattform 2026: Über 450 standardisierte Artikeleigenschaften in der Artikeldatenbank verfügbar
In der Eplan Plattform Version 2026 wurden über 450 Artikeleigenschaften in der Artikeldatenbank in Anlehnung an den weltweit gültigen Datenstandard eClass hinzugefügt. Das heißt, die Software bietet automatisch nach eClass standardisierte Artikeleigenschaften an, nach denen auch die Hersteller ihre spezifischen Artikelinformationen im Eplan Data Portal definieren. Anwender können nach eindeutigen Eigenschaften wie zum Beispiel der Maximaltemperatur für Sensoren filtern, die die Software per Schlagwortsuche in den Eigenschaften zur Verfügung stellt. Der Vorteil liegt in der einheitlichen Datengrundlage: Alle Eplan Anwender und Hersteller haben Zugriff auf die gleichen Eigenschaften und können Artikel nach einem standardisierten Verfahren definieren. Die Standardisierung der Artikel und deren Eigenschaften ist zudem für alle Anwender und Branchen relevant. So können zum Beispiel Kommunikationsgeräte in der Gebäudetechnik nach BACnet oder wichtige Eigenschaften zur Minimal-, Maximal und Betriebstemperatur im Schaltschrankbau schnell, einfach und transparent definiert werden.
Eplan Plattform 2026: Eigenschaften schneller finden – zusätzliche Werte definieren
In der Eplan Plattform Version 2026 lassen sich standardisierte Artikeleigenschaften über ein neues Suchfeld schneller finden und zusätzliche Werte und Eigenschaften von Bauteilen über Artikelreferenzdaten definieren. Anders als die Standardartikeldaten in der Artikeldatenbank handelt es sich bei Artikelreferenzdaten um Informationen, die im Schaltplan für jedes einzelne Bauteil flexibel angepasst oder hinzugefügt werden können. Hierzu wurde unter Eigenschaften die Kategorie Artikelreferenzdaten ergänzt, in der die neuen Artikeleigenschaften in Anlehnung an den eClass Standard mittels einfacher Suche verfügbar gemacht und zusätzliche Werte abgebildet werden können – zum Beispiel die Umgebungstemperatur oder exakte Ampere-Zahl eines Schutzschalters.
Erweiterte Eigenschaften
Eplan Plattform 2026: Teilemanagement – mehr Transparenz über nicht verfügbare Teile und Ersatzartikel
Mehr Transparenz und ein vereinfachterer Umgang mit Artikeln wurde in der Eplan Plattform Version 2026 auch im Kontext von Ersatzteilen und -artikeln geschaffen. Zwar konnten ausgelaufene Artikel, die für die Projektierung nicht mehr zur Verfügung stehen bis dato auch bereits in den Stammdaten als solche gekennzeichnet werden. Allerdings fehlte die Information zu den neuen Artikeln, die die ausgelaufenen in zukünftigen Projekten ersetzen sollen. Mit der neu geschaffenen Option Replacement parts, können ab der Version 2026 auch die Ersatzartikel bzw. deren Artikelnummern, das Datum und eine Artikelbeschreibung abgebildet werden. Insbesondere die Wiederverwendung und Bearbeitung älterer Projekte, in denen noch Teile verwendet wurden, die nicht mehr verfügbar sind, wird so erheblich vereinfacht und beschleunigt. Informationen zu den Ersatzartikeln müssen nicht mehr mühsam recherchiert werden, sondern stehen in der Artikeldatenbank sofort zur Verfügung.
Eplan Plattform 2026: Abbildung der Artikelnummern in Verbindungsliste
Für Bauteile, die bei der Projektierung durch einen Draht verbunden werden, stehen ab der Eplan Plattform Version 2026 detailliertere Informationen in der aus der Software abgeleiteten Verbindungsliste zur Verfügung. Durch die zusätzliche Abbildung der Artikelnummern der als Quelle und Ziel verwendeten Bauteile, wird die Informationstiefe in der Verbindungsliste erhöht und insbesondere weniger erfahrene Mitarbeiter unterstützt.
Eplan Plattform 2026: Zugriff auf 2D-Modelle der Bauteile aus Eplan
Ab der Version 2026 stehen in Eplan Electric P8 mehr Navigationsmöglichkeiten zwischen querverwiesenen Geräten zur Verfügung. Anwender der aktuellen Version können zwar auch bereits vom Bauteil im Schaltplan in die entsprechende 3D-Ansicht und wieder zurück, oder auf andere Bauteile und Schaltplanseiten navigieren. Der direkte Zugang zum 2D-Modell war bis dato jedoch nicht gegeben und wird ab der neuen Version verfügbar sein. Dass bietet Nutzern die Möglichkeit, schnell und komfortabel an wichtige Informationen im 2D-Modell heranzukommen oder sich Fortschritte in 2D anzuschauen. Um vom Schaltplan in die 2D-Ansicht zu gelangen, brauchen Anwender lediglich per rechter Maustaste auf das Bauteil die querverwiesenen Funktionen und anschließend über die neue Option Model view das 2D-Modell aufzurufen.
Eplan Plattform 2026: Beliebige Ansichten beim Schaltschrankaufbau speichern und aufrufen
Beim Schaltschrankaufbau mit Eplan Pro Panel steht Anwendern in der Version 2026 ein neuer Bereich zur Verfügung, in dem bis zu 10 beliebige Ansichten des 3D-Modells des Schaltschranks abgespeichert und jederzeit wieder abgerufen werden können. Das erleichtert und beschleunigt das Arbeiten mit der Software, da sich Anwender nicht mehr erst durch den Navigationsbaum klicken müssen, um die benötigten Ansichten des 3D-Modells aufzurufen. Nutzer können sich zum Beispiel einfach die Ansichten auf die Tür oder den Sockel des Schaltschranks abspeichern und im neu geschaffenen Bereich Layout Space Views per Doppelklick auf das jeweilige Vorschaubild wieder aufrufen. Durch das schnellere Wechseln zwischen den Ansichten gehen die Arbeitsschritte beim Schaltschrank-Engineering nicht nur intuitiver und einfacher „von der Hand“, sondern machen auch mehr Spaß.
Fazit:
Bei der Entwicklung der Eplan Plattform 2026 wurde neben dem vereinfachten Portfolio besonderes Augenmerk auf einen entscheidenden Punkt in der Schaltplanerstellung gelegt, um Anwendern die tägliche Arbeit weiter zu vereinfachen und Projekte zu beschleunigen: das Handling mit Artikeln und der Artikeldatenbank. Die Software optimiert wichtige Arbeitsschritte bei der Projektierung, damit Artikel einfacher gefunden, eingefügt und definiert werden können und der Umgang mit notwendigem Zubehör automatisiert wird. Der Zugriff auf die Artikel im Eplan Data Portal ist intuitiv gelöst und zukünftig auch an den Stellen im Engineering-Prozess verfügbar, wo Konstrukteure ihn schnellstmöglich und ohne Unterbrechung ihrer Arbeit benötigen – in der Artikelverwaltung und im Einfügezentrum. Zudem wurden über 450 Artikeleigenschaften in der Artikeldatenbank und in Anlehnung an den weltweit gültigen Datenstandard eClass ergänzt, nach denen Artikel einheitlich gefunden und definiert werden können. Auch im Schaltschrankaufbau mit Eplan Pro Panel hält die neue Version Optimierungen bereit: Anwender profitieren von einer neuen Funktion, die es ermöglicht, unterschiedliche Ansichten auf das 3D-Modell des Schaltschranks abzuspeichern und per Schnellauswahl einfach wieder aufzurufen. Das beschleunigt den Wechsel zwischen den Ansichten und das Schaltschrank-Engineering in Gänze.
Aktuelle Eplan Plattform entdecken
Einen kompakten Überblick über die Neuheiten finden Sie hier.