Projektování jednoúčelových strojů v praxi
Samozřejmě platí, že jiné postupy budete potřebovat při návrhu zpracování projektu pro vápenku, a jiné pro jednoúčelový stroj. A právě na specifika projektování jednoúčelových zařízení se zaměříme v rámci našeho specializovaného školení.
Jednoúčelové stroje a jejich projektování má svá specifika – jedná se o stroje na zakázku, často vyráběné v jednom kusu, které, jak už jejich název napovídá, jsou unikátní svou aplikací. Tím se i jejich projekty stávají unikátní a neopakovatelné.
Školení svým programem pokrývá nejčastější výzvy, které při projektování jednoúčelových strojů vyvstávají. Ať už jde o správné členění projektu, které později pomůže snadno a rychle generovat dílčí kusovníky či podklady pro tisk štítků a návleček, nebo kooperaci s kolegy z jiných oddělení a zpracování fluidních zapojení.
Co vás na školení čeká
- Struktura projektu se zaměřením na čitelnost nejen pro projektanta a servis, ale i snadnou tvorbu projektu pomocí technologie maker.
- Import předběžného kusovníku – aktory, čidla či pneumatiku lze do projektu importovat a usnadnit si tvorbu zapojení.
- Možnosti sestavení konfigurátoru stroje z typizovaných modulárních bloků.
- Zpracování řídicího systému od importu HW konfigurace přes přiřazení napojení po export dat zpět programátorovi.
- Nastavení šablon vyhodnocení a exportů tak, aby maximálně využily definované struktury projektu.
- Snadné zapracování změn a komunikace změn s dalšími odděleními.
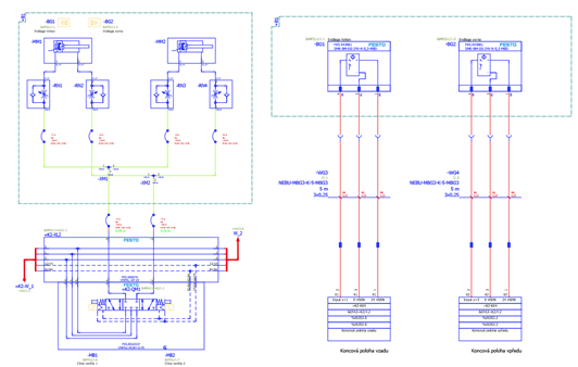
A věděli jste, že Eplan není jen projektování elektro? Na školení si ukážeme i zpracování multioborového projektu, kde se dá pomocí křížových odkazů snadno nalézt, ze kterého napojení PLC je řízena cívka ventilu ovládajícího válec, jehož poloha je snímána jinde zapojeným čidlem.
Na školení si takovýto projekt vytvoříme včetně multioborových artiklů a ukázky konfigurátoru funkcí. Poté projekt vyhodnotíme, a tím dotvoříme jeho strukturu po rozváděčích roztříděnými kusovníky, seznamy spojů či plány svorkovnic a kabelů.
Nakonec projekt odevzdáme a ukážeme si, jak pomocí cloudových služeb zaznamenávat požadavky na změny a řídit verze projektu.
Chcete více informací o školení. Zanechte nás své kontaktní údaje a co nejdříve se vám ozveme.
Nebo nás kontaktuje přímo emailem: info@eplan.cz nebo telefonicky +420 485 161 097.
Jste projektant Eplan a láká vás získat praktické informace od našich konzultantů?
Přečtěte si více o specializovaném školení – projektování jednoúčelových strojů a rozváděčů v praxi.