Efektivní tvorba a úpravy artiklů – Šablona funkce a hromadné úpravy dat artiklů

Eplan Data Portal obrazovka

V dalším příspěvku o efektivní tvorbě a úpravách artiklů se zaměříme na postupy při vytváření šablon funkcí a jejich aplikaci v praxi. Představíme si, jak nadefinovat všechna potřebná data nového artiklu tak, aby byl artikl připraven k použití v projektu a začlenění do schémat. Zároveň probereme možnosti hromadných úprav dat s využitím tabulek MS Excel, což umožňuje zefektivnění procesu úprav a přidávání nových artiklů.

Máme zadaná základní data nového artiklu, nadefinovali jsme číslo artiklu, typové označení, objednací číslo, popis, rozměry a další potřebné údaje. Abychom mohli takto nadefinovaný přístroj použít v projektu a umístit jej do schématu, je zapotřebí nadefinovat šablonu funkce. Způsob definování šablony funkce se může lišit v závislosti na typu přístroje. Je rozdíl, zda se jedná o jednoduché zařízení jako např. jistič, stykač, motor, anebo komplexní zařízení s více připojovacími svorkami, jako jsou zdroje napájení, frekvenční měniče nebo PLC karty.

Šablona funkce pro jednoduché zařízení

Šablonu funkce je v tomto případě možné definovat přímo ve správě artiklů v kartě „Šablony funkcí“. Z databáze je třeba vybrat odpovídající definici funkce, doplnit označení napojení, a případně zadat technické veličiny, které se následně automaticky přenášejí do schématu zapojení.
Vytváření šablony funkcí
Pokud definujeme artikly pro více podobných zařízení, je možné šablonu funkce jednoduše zkopírovat. Označíme ve správě artiklů konkrétní artikl, u kterého jsme předtím nadefinovali šablonu funkce, a z kontextového menu vybereme funkci Kopírovat.
Kopírování šablony funkcí
Dále označíme jeden nebo několik artiklů, k nimž chceme šablonu funkce přenést, a z kontextového menu vybereme funkci Vložit data. V dalším dialogu zvolíme možnost Šablony funkcí. Tak se do zvolených artiklů doplní pouze šablona funkce bez toho, aby došlo ke změně ostatních dat.
Vložení šablony funkcí

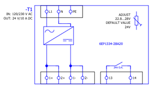
Šablona funkce pro komplexní zařízení

Pokud se jedná o komplexní zařízení s množstvím připojovacích svorek, je manuální vytvoření šablony funkce v databázi poměrně pracné. Tuto činnost si ale můžeme ulehčit, když nejprve vytvoříme makro pro schéma zapojení a šablonu funkce z něho automaticky převezmeme do artiklu. V projektu maker nejprve nakreslíme grafickou podobu přístroje pro vícepólové schéma, případně pro přehledové zobrazení. Přístroj musí obsahovat všechny potřebné funkce. V datech symbolu hlavní funkce je třeba zadat číslo artiklu. Poté označíme hlavní funkci přístroje a z kontextového menu vybereme funkci Vytvořit artikl. Pokud zadané číslo artiklu ještě není v databázi k dispozici, vytvoří se nový artikl, do dat artiklu se převezme údaj z technických veličin a vytvoří se šablona funkce. Jestliže již artikl v databázi existuje, upraví se příslušným způsobem jeho šablona funkce.
vícepolové schéma

Příklad šablony funkcí pro komplexní zařízení

Samozřejmě pak nezapomeneme vytvořit z nakreslených objektů logické makro a jeho název pak zadat do příslušného datového pole u artiklu.

Hromadné úpravy dat artiklů

Nyní již máme vytvořené artikly a doplněné šablony funkcí. Pro doplnění nebo úpravy některých dalších údajů by se nám mohla hodit možnost hromadných úprav, ideálně pomocí nějakého obecně používaného nástroje. Zde se nabízí zpracování dat v tabulkách MS Excel. Data je možné upravovat hromadně, lze využít funkce pro vyhledávání a náhradu textu, případně i další pokročilé funkce Excelu. Navíc takto může data upravit téměř kdokoliv i bez znalosti prostředí Eplan a bez potřeby licence Eplan, která tak není během úpravy dat blokována. Takovéto zpracování by se hodilo například pro doplnění různých údajů, jako je hmotnost, maximální ztrátový výkon zařízení, číslo ERP, nebo pro úpravy překladů v popisech.

I na tuto možnost Eplan myslí, a proto je ve správě artiklů k dispozici funkce Zpracovat vlastnosti externě. Funkci najdeme ve správě artiklů pod tlačítkem [Extra]. Data musíme nejprve vyexportovat do Excelu pomocí funkce Exportovat data. Zde je třeba nastavit typ souboru, název cílového souboru a šablonu Tempate_EditPropertiesExternal.xlsx. Ve druhé kartě dialogu pak data, která chceme exportovat a následně upravit.

správa artiklů
Nastavení exportu dat pro hromadné úpravy
Při vlastním exportu pak musíme nastavit druh výstupu a zobrazení jazyků pro vícejazyčná pole. Pokud chceme upravovat překlady popisů artiklu, můžeme je vyexportovat ve všech jazycích nastavených pro správu artiklů. Exportovat lze označené artikly, nebo celou databázi.
náhled exportu

Export dat pro hromadné úpravy

Teď už stačí jen provést požadované úpravy a upravená data naimportovat zpět do databáze artiklů Eplan. V tuto chvíli nejspíš většinu z vás napadne, že by se tato funkce mohla využít i pro vytváření nových artiklů. Ano, je tomu skutečně tak. Pokud chceme z tabulky načíst i data nových artiklů, je potřeba provést dvě drobné úpravy. Číslo položky v prvním sloupci musíme u nových artiklů změnit na 117/0. Pomocí klávesové zkratky CTRL+F3 je třeba upravit velikost oblasti s názvem EPL_VALUES tak, aby zahrnovala i nové položky.

Využívejte svůj software efektivně

Spoustu dalších vědomostí, tipů a triků se naučíte na našich školeních.

Zjistit více o školení