Cronometrado à Eficiência: 63 páginas de diagrama de circuito em 13 segundos. Você pode fazer isso no Eplan!

Eplan

Como fazer um esquema rápido e sem comprometer a sua eficiência? O especialista Eplan Sean Mulherrin aceitou este desafio ao vivo na frente de centenas de espectadores. Apresentamos suas dicas que você pode usar para gerar seus diagramas de circuitos no menor tempo possível.

No evento online Eplan L!VE, Sean Mulherrin assumiu o Eplan Challenge. No evento online Eplan L!VE, Sean Mulherrin assumiu o Eplan Challenge.

Dica 1: Uso inteligente de bibliotecas de símbolos no Eplan

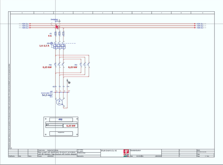
Como você pode criar um esquema no Eplan o mais rápido possível? Com seu software Eplan Electric P8, você tem acesso a bibliotecas com símbolos comuns para projetos elétricos, como motores, fusíveis e interruptores.

O que há de especial na colocação de símbolos com o Eplan: eles não são apenas desenhos de símbolos, mas conjuntos de dados com todas as informações indispensáveis para o planejamento elétrico. Portanto, basta arrastar os símbolos necessários para o diagrama de circuito. O software adiciona as linhas de conexão automaticamente. Assim que um primeiro circuito simples for criado, ele pode ser duplicado com apenas alguns cliques.

Prático: Os símbolos duplicados são fornecidos automaticamente com as tags e etiquetas corretas no Eplan. Ao utilizar esse método, você pode criar sem esforço um diagrama de circuito simples em questão de minutos.

Duplicando circuitos com Eplan

Uma vez criados os circuitos, eles podem ser duplicados no projeto com apenas alguns cliques.

Dica bônus: Acesse rapidamente símbolos relevantes para tarefas específicas do seu dia a dia aplicando tags temáticas. Essas tags podem ser facilmente acessadas e organizadas por meio do centro de inserção, permitindo um fluxo de trabalho eficiente e simplificado.

Symbols Eplan Platform Insert Center

Você pode marcar símbolos que usa regularmente para uma tarefa específica.

Dica 2: Padronização com macros Eplan para reaproveitar circuitos

Por que sempre começar com páginas em branco quando há muitos controles e circuitos em quase todos os projetos? Em vez de inserir símbolos separados manualmente em seu diagrama de circuito, você pode economizar tempo significativamente utilizando uma biblioteca macro abrangente dentro do Eplan Electric P8. As macros são modelos para circuitos específicos que você pode usar frequentemente. Você também tem a possibilidade de criar diferentes variantes de circuitos típicos, por exemplo, módulos de partida de motor. Ao criar o diagrama de circuito no dia-a-dia, você pode simplesmente pressionar TAB para selecionar o circuito certo para o seu projeto a partir de diferentes variantes.

variante de macro de circuito

Se você criar variantes de circuito como macros, poderá reutilizá-las para cada projeto. Com TAB você pode alternar entre as diferentes variantes de macro.

Mas essa não é a única vantagem: a capacidade de ajustar variáveis individuais nas diversas variantes, como, por exemplo, o tamanho do motor usado. Se você alterar uma variável, o Eplan ajustará automaticamente todos os símbolos associados, como fusíveis ou interruptores, seguindo as diretrizes necessárias. Ao usar objetos placeholder, também é possível adaptar alterações de curto prazo, como comprimentos de cabos e tamanhos de motores em poucos segundos e adotá-los no diagrama de circuito completo.

Dica bônus: Crie um banco de dados de conhecimento ao longo das suas atividades diárias, construindo uma biblioteca com elementos do plano de cofragem usando o princípio modular. Fique atento e mantenha a biblioteca atualizada com seus colegas. Com o tempo, você terá cultivado um extenso banco de dados de circuitos reutilizáveis ​​para situações de uso comum.

Dica 3: Engenharia automatizada para criar diagramas em segundos

Como você pode ver, ao padronizar seu projeto elétrico, você pode acelerar significativamente a criação de seus diagramas de circuito. Simplesmente por ter seu software básico Eplan e dedicar alguns minutos do seu tempo às suas bibliotecas de modelos em suas operações diárias, você terá tudo o que precisa. Mas mesmo com um projeto elétrico padronizado, ainda é necessário criar manualmente páginas de planos de cofragem individuais. Se você deseja economizar ainda mais tempo e gerar diagramas de circuitos completos em poucos segundos, a Engenharia Automatizada entra em ação.

Gere um diagrama de circuito com o Eplan eBuild Free

Com o Eplan eBuild Free você pode criar projetos completos baseados em bibliotecas de macros prontas com apenas alguns cliques.

Você não precisa fazer muito para tentar isso sozinho, porque a ferramenta Eplan eBuild Free pode fazer isso por você. Você pode acessá-lo gratuitamente através do Eplan Cloud com seu software Eplan Electric P8. Isso significa que um grande número de bibliotecas de modelos com elementos de diagrama de circuito estão disponíveis para você sem custo adicional. Você simplesmente seleciona a biblioteca apropriada, seleciona alguns parâmetros e clica em "Gerar". Dentro de poucos segundos, você terá um projeto Eplan completo com várias páginas prontas!

Dica bônus: Você mesmo pode enfrentar esse desafio facilmente com o Eplan eBuild Free. A biblioteca de modelos "Engineering Challenge" está disponível gratuitamente.

Com a versão completa do Eplan eBuild, você pode não apenas usar bibliotecas prontas para isso, mas também criar suas próprias bibliotecas que seus colegas também podem acessar.

Desafio ao vivo: 63 páginas em 13 segundos com o Eplan

No evento online, Eplan L!VE, Sean Mulherrin demonstrou como pode criar um esquema de 63 páginas em 13 segundos. Isso foi possível em três etapas, desde o software básico Eplan Electric P8 até o software gratuito Eplan eBuild Free para engenharia automatizada. Você pode assistir à gravação em vídeo do desafio de engenharia completo aqui:

https://play.hubspotvideo.com/v/224292/id/128857186562

Conclusão: mais velocidade e eficiência na criação de esquemas elétricos

Com seu software Eplan Electric P8, você está bem equipado para acelerar enormemente a criação de seus diagramas de circuito. Use recursos como símbolos enriquecidos com dados e bibliotecas de subcircuitos para padronizar seu projeto elétrico. Ferramentas adicionais permitem até mesmo engenharia automatizada e, portanto, a criação de projetos completos em poucos segundos.