BIM en Eplan: succesvolle documentatie binnen de gebouwtechniek

De bouwsector is aan het veranderen. Oude werkmethodes worden op de proef gesteld door de digitalisering én de BIM-methode. In dit artikel leggen we uit hoe u ervoor zorgt dat u gebouwautomatisering efficiënt kunt aanpakken? Wat is daar allemaal voor nodig? En wat is de relatie tussen BIM en de elektrotechniek? We vroegen het onder meer aan Rolf Schulte, Vertical Market Manager Building Technologies bij Eplan.

Het klinkt misschien als een cliché, maar wie succesvol wil engineeren binnen de gebouwtechniek, moet maximaal samenwerken. Een van die methodes om maximaal samen te werken, is Building Information Modeling (BIM). Met BIM bent u in staat om tal van uitdagingen in de bouw aan te pakken. Binnen deze methode staat het 3D-gebouwmodel centraal als informatiebron en wordt het in de loop van het project voortdurend verrijkt met gegevens. Twee zaken zijn daarbij essentieel:

Deze twee zaken vormen de basis voor een zo vlot mogelijke integratie van BIM in uw bestaande IT-infrastructuren- en processen. Zowel de knowhow van Eplan als de oplossingen van het Eplan Platform worden hierbij al door talrijke klanten in de bouwsector toegepast.

BIM is kostenefficiënt

Rolf Schulte is Vertical Market Manager Building Technologies bij Eplan. Hij is gespecialiseerd in het toepassen van BIM en Eplan. “Wie met de BIM-methode werkt, maakt documentatie niet duurder”, verduidelijkt hij. “Als de BIM-methode goed wordt geïntroduceerd en op de juiste manier wordt toegepast, wordt documentatie vooral efficiënter en dus kostenefficiënter. Je kan net onaangename verrassingen vermijden", legt hij uit.

Problemen vermijden

Wat is de grootste toegevoegde waarde van de toepassing van de BIM-methode binnen de engineering van gebouwen? Rolf Schulte: “Eerst en vooral controle. Door clash controle bij bouwspecifieke, technische en dragende elementen, kunnen problemen op de bouwplaats zelf vermeden worden. Bij een traditionele werkmethode is het uiteindelijke resultaat soms anders dan initieel voorgesteld. Dankzij de BIM-methode kunnen we conflictvrij bouwen. Daarnaast kun je in het BIM-model componentinformatie invoeren, zowel op gebouwtechnisch vlak als voor andere disciplines. Op die manier kun je op ieder moment van de projectlevenscyclus de status-quo van het project en de projectdata eenvoudig en snel nagaan”, aldus Schulte.

BIM integreert elektrotechniek

Is er een relatie tussen het BIM-model en elektrotechniek? “Die is zeker aanwezig”, leg Rolf Schulte uit. “Langs de ene kant kun je in het BIM-model elementen uit de klassieke installatietechniek opnemen, zoals schakelaars, stopcontacten, armaturen, kabeltracés, enz. Ook routeringspaden en uitsparingen kunnen worden gemodelleerd. Langs de andere kan kun je informatie over de automatisering van je gebouw in je BIM-model opnemen. Dat laat toe om alles holistisch te evalueren en te analyseren. Daarnaast kun je deze info makkelijk uitwisselen met andere softwareprogramma’s.”

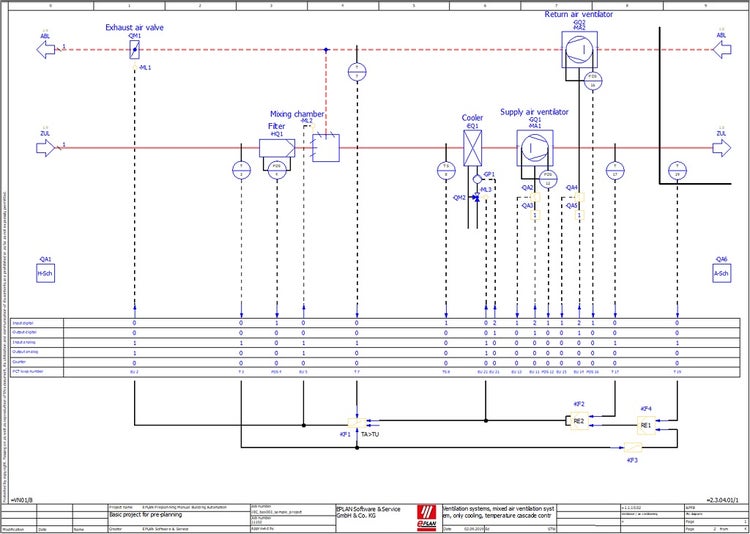
Controleregeling: ventilatiesystemen, ventilatiesysteem met gemengde lucht, alleen koeling, temperatuur cascaderegeling

Communicatie tussen BIM en software

Wie volgens de BIM-methode werkt, kan verschillende facetten binnen de gebouwtechniek met elkaar combineren. Denk daarbij aan de plannen, de berekening van de warmteprestatie, EPB-eisen of schakelschema’s voor de elektrische installaties. Het BIM-model is een 3D-model. Het 3D-model dient hierbij als single source of truth. Met andere woorden, alle technische gebouwinformatie komt in dit model terecht. Dat wil echter niet zeggen dat alle informatie ook in het BIM-model gegenereerd wordt. In het BIM-model zit bijvoorbeeld informatie over de berekening van de klimatisering van het gebouw. Die berekening gebeurt niet in het BIM-model, maar in een programma dat hiervoor speciaal is ontwikkeld. Die info moet dan opnieuw doorgegeven worden aan het BIM-model. Het is hierbij erg belangrijk dat er rekening gehouden wordt met een goede gegevensuitwisseling tussen de verschillende softwareprogramma’s en het 3D-model. Hoe beter de software communiceert met het 3D-model, hoe beter de resultaten.

Gegevensuitwisseling tussen het Eplan Platform en het BIM-model

We krijgen vaak de vraag wat de mogelijkheden zijn tussen Eplan en BIM. Het goede nieuws is dat er al heel wat mogelijkheden zijn om gegevens tussen de twee systemen uit te wisselen. We schetsen het graag met een voorbeeld: het BIM-model bevat meestal informatie over de structuur van het onroerend goed, met inbegrip van het gebouw. Daarnaast bevat het model informatie over de verbonden verwarmingssystemen, van de ketel tot en met de radiatoren. Eplan gebruikt deze informatie om de structuur van het project in kaart te brengen en de componenten te leveren. De parameters worden vervolgens gecorreleerd met het BIM-model. Als er iets verandert in de structuur van het model of als er componenten aan het systeem worden toegevoegd, worden deze zichtbaar door een gegevensvergelijking tussen de twee systemen. Engineers kunnen zo beslissen hoe deze wijzigingen binnen het Eplan Platform in werking moeten treden. Daarnaast kunnen gegevens die in het Eplan Platform zijn verrijkt, uiteraard weer in het BIM-model opgenomen worden: een bidirectionele uitwisseling dus.

Interactie is onontbeerlijk

Met onze kennis kunnen wij de bouw optimaal ondersteunen bij het maken van documentatie voor gebouwautomatisering, schematisch ontwerp of schakelkastbouw. Wat het echte BIM-model betreft, doet u een beroep op andere systemen en deskundigen. Samen kunnen we onze krachten perfect bundelen, waardoor u als ontwerper binnen de bouwtechniek het maximale uit uw processen haalt.

Ontdek wat Eplan Preplanning voor u kan betekenen!

Meer weten over de mogelijkheden van Eplan Preplanning? Bekijken het verhaal van Technigroup.

Naar de video